9I免费看片黄,9.1成人免费看片,国产免费看片,免费看片网站黄色

    Professional Switch Manufacturer
    Service Hotline:13712077807
    locations:Home > English > Product > Dip Switch > DA TYPE >

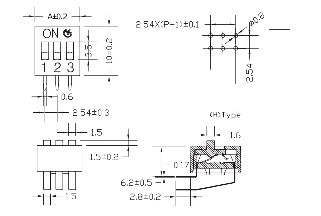
    DA-06B

    Details

     

    機械性能:電氣特性
    切換電流:25mA at 24VDC
    不切換電流:100mA at 50VDC
    動作力:1000gf Mat
    機械壽命:3000cycles Operations
    回流焊:260土5 0C for 3-5 seconds
    初始阻抗:500Mf2 Max
    壽後阻抗:100MS2 Max
    絕緣阻抗:100Mi2 Min, 60sec at 100VDC
    耐電壓:300VAC for 60 seconds
    9.1成人免费看片電容:5pF Max at 1MHZ
    工作溫度:一300C to +85 0C
    存儲溫度:-40 0C to +85 0C
    包裝規格:Reel卷裝/下upe管裝

     

    產品信息二特點
    產品特點:
    2.54mm腳距;標準鍍金接點;貼附耐電高溫薄膜;
    可耐高溫的塑料本體設計。
    撥碼9.1成人免费看片材質:
    1底座:工程塑料UL94V一0高溫材質(黑色)
    2.上蓋:工程塑料UL94V一0高溫材質(黑色,紅色,藍色)
    3.推鈕:工程塑料UL94V-0高溫材質(白色)
    3.固定觸點與可動觸點:銅片鍍金
    3.引腳:銅片鍍金
    撥碼9.1成人免费看片焊接方式:
    1.手焊:30瓦以下烙,攝氏350度以下不超過三秒鍾或
    攝氏270度以內不超過5秒鍾。
    2.回流焊:攝氏265度至攝氏275度10秒以內,請於焊接和
    清洗時將推鈕設在" OFF',的位置。
    撥碼9.1成人免费看片包裝方式:所有9.1成人免费看片推鈕在包裝時都設置在" OFF“的位置。

     

     

     

     

     

     

     

     

     

     

    Online
    Contact Us

    Hotline

    0769-85330959

    mobiles

    13712077807

    Wechat
    ONLINE
    網站地圖