9I免费看片黄,9.1成人免费看片,国产免费看片,免费看片网站黄色

    Professional Switch Manufacturer
    Service Hotline:13712077807
    locations:Home > English > Product > DC Socket > DIP >

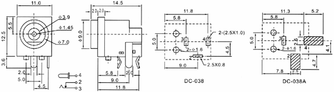
    DC-038

    Details
    DC-038    詳情說明 型號:DC-038
    技術指標:
    使用溫度範圍 Temperature -30~70℃ 耐壓 Withstand Voltage AC500V(50Hz)/min
    額定負荷 Rated Load DC 30V 0.5A 插拔力 Actuating Force 3~20N
    接觸電阻 Contact Resistance ≤0.03Ω 壽命 Life 5000次
    絕緣電阻 Insulation Resistance ≥100MΩ    

    Online
    Contact Us

    Hotline

    0769-85330959

    mobiles

    13712077807

    Wechat
    ONLINE
    網站地圖